东莞市颖鑫电子科技有限公司:轻触开关厂家,拨动开关厂家,按键开关厂家专用生产电子烟轻触开关,3*4轻触开关,3*4*2.5电子烟,轻触开关厂家,下面详细介绍下:电子烟轻触按键开关_四脚贴片轻触开关_美容美发专用轻触开关详情轻触开关厂家,拨动开关厂家,按键开关厂家:
3*4轻触开关YX-C002产品简介:
电子烟轻触按键开关_四脚贴片轻触开关_美容美发器材按键开关_剃须刀轻触开关厂家,尺寸长3.2mm宽4.2mm高2.5mm。产品广泛运用于:电子烟,电子体温计,剃须刀,美容美发,微波炉等行业。
特长
1. 适用高密度安装。
2. 相对线路板,可在水平操作的卧式。
3.高可靠性的接点密封结构。
4.开关采用12mm宽度编带包装。
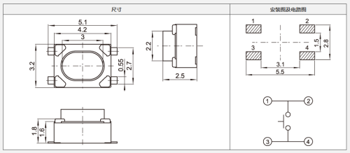
3*4轻触开关YX-C002尺寸图:

2*4轻触开关YX-C002用途:
1.影音产品:MP3、MP4、DVD.音响;
2.数码产品:数码相机、数码摄像机等;
3.遥控器:车辆、点卷门、家庭防盗产品之遥控器;
4.通讯产品:手机、车载话机、电话机、楼宇设备、PDA等;
5.家用电器:电视机、微波炉、电饭煲、电风、电子人体秤、电子脂肪秤、电子厨房秤等;
6.安防产品:可视对讲机、监视器等;
7.玩具:电子玩具等;
8.电脑产品:摄像头、录音笔等;
9.健身器材:跑度机、按摩椅等;
10.医疗器材:血压计、体温计、医院呼叫系统等。
11.其他:验钞笔、雷射笔等;
电子烟轻触按键开关_四脚贴片轻触开关_美容美发器材按键开关_剃须刀轻触开关厂家规格书:
工作温度范围Operating temperature range:-30℃to+85℃
额定电流Rating:50mA.12V DC
绝缘电阻Insulation resistance::100MΩ min.100V DC
介电强度Dielectric strength: 250V AC for 1 min
接触电阻Contact resistance::100m Ω max.
3*4轻触开关YX-C002别名:电子烟轻触按键开关_四脚贴片轻触开关_美容美发器材按键开关_剃须刀轻触开关厂家